Article | REF: BE8578 V2

Photovoltaic electricity - Principles

Author: Abdelilah SLAOUI

Publication date: January 10, 2013, Review date: March 2, 2020 | Lire en français

You do not have access to this resource.
Click here to request your free trial access!

Already subscribed? Log in!

Automatically translated using artificial intelligence technology (Note that only the original version is binding) > find out more.

    A  |  A

    4. Photovoltaic converter

    4.1 The cell, a current-generating element

    It is often very useful for users and installers of photovoltaic systems to consider the cell as a current-generating element.

    SCROLL TO TOP

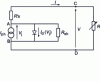
    4.1.1 Equivalent diagram of a solar cell

    The equivalent diagram of a solar cell (figure 13 ) includes the energy generator, whose current I ph is proportional to irradiance. The current I,...

    You do not have access to this resource.

    Exclusive to subscribers. 97% yet to be discovered!

    You do not have access to this resource.
    Click here to request your free trial access!

    Already subscribed? Log in!


    The Ultimate Scientific and Technical Reference

    A Comprehensive Knowledge Base, with over 1,200 authors and 100 scientific advisors
    + More than 10,000 articles and 1,000 how-to sheets, over 800 new or updated articles every year
    From design to prototyping, right through to industrialization, the reference for securing the development of your industrial projects

    This article is included in

    Sustainable construction

    This offer includes:

    Knowledge Base

    Updated and enriched with articles validated by our scientific committees

    Services

    A set of exclusive tools to complement the resources

    Practical Path

    Operational and didactic, to guarantee the acquisition of transversal skills

    Doc & Quiz

    Interactive articles with quizzes, for constructive reading

    Subscribe now!

    Ongoing reading
    Photovoltaic converter