Article | REF: R965 V2

AC zeroing methods

Author: André POLETAEFF

Publication date: December 10, 2013 | Lire en français

You do not have access to this resource.
Click here to request your free trial access!

Already subscribed? Log in!

Automatically translated using artificial intelligence technology (Note that only the original version is binding) > find out more.

    A  |  A

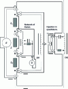
    5. Coaxial bridges

    When impedances need to be measured with very small uncertainties, or when the measurement frequency becomes high, a coaxial structure may be required. There are, however, a number of constraints that need to be taken into account. In the following, we outline the main principles and give a few examples of coaxial bridges.

    5.1 The advantages of coaxial bridges and the stresses they generate

    Electrical impedances store, then restore and possibly partially absorb the energy of the electric and magnetic fields generated in the vicinity of the conductors they are made up of, when these are subjected to potentials or currents that vary over time. These exchanges are intimately linked to these potentials and currents, but also depend on the spatial configuration...

    You do not have access to this resource.

    Exclusive to subscribers. 97% yet to be discovered!

    You do not have access to this resource.
    Click here to request your free trial access!

    Already subscribed? Log in!


    The Ultimate Scientific and Technical Reference

    A Comprehensive Knowledge Base, with over 1,200 authors and 100 scientific advisors
    + More than 10,000 articles and 1,000 how-to sheets, over 800 new or updated articles every year
    From design to prototyping, right through to industrialization, the reference for securing the development of your industrial projects

    This article is included in

    Electronic measurements and tests

    This offer includes:

    Knowledge Base

    Updated and enriched with articles validated by our scientific committees

    Services

    A set of exclusive tools to complement the resources

    Practical Path

    Operational and didactic, to guarantee the acquisition of transversal skills

    Doc & Quiz

    Interactive articles with quizzes, for constructive reading

    Subscribe now!

    Ongoing reading
    Coaxial bridges