Article | REF: BM5562 V1

Calculation of screw assemblies

Author: Jean GUILLOT

Publication date: July 10, 2008 | Lire en français

You do not have access to this resource.
Click here to request your free trial access!

Already subscribed? Log in!

Automatically translated using artificial intelligence technology (Note that only the original version is binding) > find out more.

    A  |  A

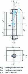
    2. VDI 2230 model

    This model, proposed by the 1977 VDI 2230 recommendation and supplemented in the 1983 edition, has been taken up by the FD E 25-030 standard, without the limits of application being clearly defined, which can lead to erroneous calculations in cases of significant eccentricity of external forces, or in the case of low flexural rigidity of assembled parts.

    The 2003 edition of [1] clarifies the notion of load introduction coefficient and proposes an approximate method for calculating forces when there is disbonding at the interface.

    We'll try to clarify the spirit of this modeling approach, to help users understand its possibilities and limitations.

    For the use of this model in situations where the shape of the parts is very different from that of the...

    You do not have access to this resource.

    Exclusive to subscribers. 97% yet to be discovered!

    You do not have access to this resource.
    Click here to request your free trial access!

    Already subscribed? Log in!


    The Ultimate Scientific and Technical Reference

    A Comprehensive Knowledge Base, with over 1,200 authors and 100 scientific advisors
    + More than 10,000 articles and 1,000 how-to sheets, over 800 new or updated articles every year
    From design to prototyping, right through to industrialization, the reference for securing the development of your industrial projects

    This article is included in

    Mechanical functions and components

    This offer includes:

    Knowledge Base

    Updated and enriched with articles validated by our scientific committees

    Services

    A set of exclusive tools to complement the resources

    Practical Path

    Operational and didactic, to guarantee the acquisition of transversal skills

    Doc & Quiz

    Interactive articles with quizzes, for constructive reading

    Subscribe now!

    Ongoing reading
    VDI 2230 model