Article | REF: E5150 V1

Introduction to electroacoustics - Electroacoustic transduction

Author: Jacques JOUHANEAU

Publication date: June 10, 1992, Review date: January 1, 2024 | Lire en français

You do not have access to this resource.
Click here to request your free trial access!

Already subscribed? Log in!

Automatically translated using artificial intelligence technology (Note that only the original version is binding) > find out more.

    A  |  A

    Overview

    Read this article from a comprehensive knowledge base, updated and supplemented with articles reviewed by scientific committees.

    Read the article

    AUTHOR

    • Jacques JOUHANEAU: Professor at the Conservatoire National des Arts et Métiers (CNAM)

     INTRODUCTION

    The transducer is a system that transforms energy received in a given form (e.g. mechanical, thermal, light...) into energy that can be used in a different form (e.g. acoustic, electrical...).

    An electroacoustic transducer transforms acoustic energy (sound wave) into electrical energy (signal).

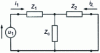
    Such a transducer is said to be linear when, for a given frequency, the quantity collected at the output terminals is proportional to the quantity acting on the input (figure 1 ).

    .Quadrupole representing an electroacoustic transducer
    Figure 1  -  Quadrupole representing an electroacoustic transducer

    This transducer is said to be reversible if, powered by an electrical source, it is capable of supplying acoustic energy.

    This transducer is said to be reciprocal if, during its reversible operation, it constitutes a source of flow q (m 3 /s ) proportional to the excitation current i (A ) such that: q / i = u / p.

    Microphones and loudspeakers are reversible electroacoustic transducers. They are reciprocal as long as they operate within their linearity limits.

    You do not have access to this resource.

    Exclusive to subscribers. 97% yet to be discovered!

    You do not have access to this resource.
    Click here to request your free trial access!

    Already subscribed? Log in!


    The Ultimate Scientific and Technical Reference

    A Comprehensive Knowledge Base, with over 1,200 authors and 100 scientific advisors
    + More than 10,000 articles and 1,000 how-to sheets, over 800 new or updated articles every year
    From design to prototyping, right through to industrialization, the reference for securing the development of your industrial projects

    This article is included in

    Signal processing and its applications

    This offer includes:

    Knowledge Base

    Updated and enriched with articles validated by our scientific committees

    Services

    A set of exclusive tools to complement the resources

    Practical Path

    Operational and didactic, to guarantee the acquisition of transversal skills

    Doc & Quiz

    Interactive articles with quizzes, for constructive reading

    Subscribe now!

    Ongoing reading
    Introduction to electroacoustics