Article | REF: R1040 V2

Electrical safety testers

Authors: André LECONTE, Bernard KANTOROWSKI

Publication date: December 10, 2004 | Lire en français

You do not have access to this resource.
Click here to request your free trial access!

Already subscribed? Log in!

Automatically translated using artificial intelligence technology (Note that only the original version is binding) > find out more.

    A  |  A

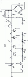
    3. Ohmmeters for measuring continuity

    The purpose of these devices is to ensure the continuity of equipotential ground connections by checking that their resistance does not exceed certain thresholds.

    3.1 Measurement conditions prescribed by standards

    • As far as electrical installations are concerned, NF C 15-100 standard, chapter 612-2, recommends using a current greater than or equal to 0.2 A with a supply voltage of between 4 and 24 V DC. For its part, standard NF EN 61557-4-44 specifies that the measurement range must comprise at least the 0.5 to 3 Ω range and that, in this area, the operating error must be less than 30%. The error limit considered here is the statistical uncertainty; this involves not only the intrinsic error, but also any variations caused by influencing...

    You do not have access to this resource.

    Exclusive to subscribers. 97% yet to be discovered!

    You do not have access to this resource.
    Click here to request your free trial access!

    Already subscribed? Log in!


    The Ultimate Scientific and Technical Reference

    A Comprehensive Knowledge Base, with over 1,200 authors and 100 scientific advisors
    + More than 10,000 articles and 1,000 how-to sheets, over 800 new or updated articles every year
    From design to prototyping, right through to industrialization, the reference for securing the development of your industrial projects

    This article is included in

    Electronic measurements and tests

    This offer includes:

    Knowledge Base

    Updated and enriched with articles validated by our scientific committees

    Services

    A set of exclusive tools to complement the resources

    Practical Path

    Operational and didactic, to guarantee the acquisition of transversal skills

    Doc & Quiz

    Interactive articles with quizzes, for constructive reading

    Subscribe now!

    Ongoing reading
    Ohmmeters for measuring continuity
    Outline