Article | REF: R1145 V1

Microwave network analyzers

Author: Joseph ACHKAR

Publication date: December 10, 2006 | Lire en français

You do not have access to this resource.
Click here to request your free trial access!

Already subscribed? Log in!

Automatically translated using artificial intelligence technology (Note that only the original version is binding) > find out more.

    A  |  A

    1. Background

    1.1 Characterization of microwave devices

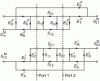
    Whether scalar or vector, network analyzers generally have two measurement channels and are therefore particularly suited to characterizing dipoles and quadrupoles; however, to characterize a network with more than two channels, simply close the unused channel(s) to the reference impedance and proceed in several steps.

    Since S parameters (Figure 1 ) are complex quantities, a distinction is made between scalar analyzers, which only provide access to the modulus of these parameters, and vector analyzers, which provide both the modulus and the phase of these same parameters. Scalar analyzers therefore give a transmission...

    You do not have access to this resource.

    Exclusive to subscribers. 97% yet to be discovered!

    You do not have access to this resource.
    Click here to request your free trial access!

    Already subscribed? Log in!


    The Ultimate Scientific and Technical Reference

    A Comprehensive Knowledge Base, with over 1,200 authors and 100 scientific advisors
    + More than 10,000 articles and 1,000 how-to sheets, over 800 new or updated articles every year
    From design to prototyping, right through to industrialization, the reference for securing the development of your industrial projects

    This article is included in

    Electronic measurements and tests

    This offer includes:

    Knowledge Base

    Updated and enriched with articles validated by our scientific committees

    Services

    A set of exclusive tools to complement the resources

    Practical Path

    Operational and didactic, to guarantee the acquisition of transversal skills

    Doc & Quiz

    Interactive articles with quizzes, for constructive reading

    Subscribe now!

    Ongoing reading
    Background