Article | REF: D1100 V1

Linear power networks with distributed constants

Authors: Pierre ESCANÉ, Jean-Marie ESCANÉ

Publication date: February 10, 1999, Review date: May 18, 2022 | Lire en français

You do not have access to this resource.
Click here to request your free trial access!

Already subscribed? Log in!

Automatically translated using artificial intelligence technology (Note that only the original version is binding) > find out more.

    A  |  A

    Overview

    Read this article from a comprehensive knowledge base, updated and supplemented with articles reviewed by scientific committees.

    Read the article

    AUTHORS

     INTRODUCTION

    The study of power networks with localized constants is based on an approximation that becomes less valid the higher the frequency of the power sources. This approximation can no longer be used in the case of power transmission networks, which are made up of long overhead lines or buried cables, supplied at a frequency of 50 Hz.

    However, the efficiency of the methods used to study the various networks with localized constants encourages us to seek, in the case of networks with distributed constants, a model using localized elements.

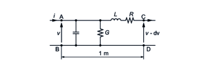
    Consider a single-phase line, made up of two conductors AC and BD (figure 1 ), supplied by a source S and loaded by a load Ch.

    .Single-phase line
    Figure 1  -  Single-phase line

    As the conductors in the line are resistive, they are subject to Joule effect losses. Together, they form a large loop, which means that magnetic energy is stored. What's more, the two conductors are insulated from each other. There is therefore a capacitive and possibly resistive effect across the board. All these effects are uniformly distributed along the line.

    The aim of the article is to present a general model for a set of n conductors, to show how the various parameters can be determined as a function of the geometry of each conductor, to look at the exploitation of the model obtained and, finally, to extend it to the tricky case where the materials run along a cylinder of magnetic material.

    Note :

    This article is inspired by the book "Réseaux d'énergie électrique. Modélisation : lignes, câbles" written by J.-M. Escané, referenced in

    You do not have access to this resource.

    Exclusive to subscribers. 97% yet to be discovered!

    You do not have access to this resource.
    Click here to request your free trial access!

    Already subscribed? Log in!


    The Ultimate Scientific and Technical Reference

    A Comprehensive Knowledge Base, with over 1,200 authors and 100 scientific advisors
    + More than 10,000 articles and 1,000 how-to sheets, over 800 new or updated articles every year
    From design to prototyping, right through to industrialization, the reference for securing the development of your industrial projects

    This article is included in

    Conversion of electrical energy

    This offer includes:

    Knowledge Base

    Updated and enriched with articles validated by our scientific committees

    Services

    A set of exclusive tools to complement the resources

    Practical Path

    Operational and didactic, to guarantee the acquisition of transversal skills

    Doc & Quiz

    Interactive articles with quizzes, for constructive reading

    Subscribe now!

    Ongoing reading
    Linear power networks with distributed constants