Article | REF: D3015 V2

Piezoelectric transformers in power electronics

Authors: François COSTA, Dejan VASIC

Publication date: December 10, 2024 | Lire en français

You do not have access to this resource.
Click here to request your free trial access!

Already subscribed? Log in!

Automatically translated using artificial intelligence technology (Note that only the original version is binding) > find out more.

    A  |  A

    Overview

    ABSTRACT

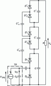
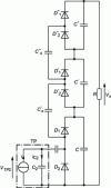
    This article deals with the use of the piezoelectric transformer (PT) in low-power electronic converters, 0.1-10 W. Thanks to its monolithic, planar structure and simple topology - disks or rods -, it can be used to create low-cost compact converters, well-suited to on-board applications. Electrical energy conversion involves a dual electrical-mechanical and mechanical-electrical conversion process, based on the creation of a standing or travelling wave within the piezoelectric material making up the PT. The article discusses its operating principle, its modeling and then its implementation in power converters for various types of DC-DC or DC-AC conversion. Electrical operating modes are analyzed, as are the main performances and limitations of the proposed structures.

    Read this article from a comprehensive knowledge base, updated and supplemented with articles reviewed by scientific committees.

    Read the article

    AUTHORS

    • François COSTA: Professor Emeritus, Université Paris-Est Créteil - Former director and researcher at the SATIE laboratory – ENS Paris-Saclay, France

    • Dejan VASIC: University Professor at CY Cergy Paris Université - Researcher at the SATIE laboratory – ENS Paris-Saclay, France

     INTRODUCTION

    In recent years, the field of use of piezoelectric materials, historically reserved for electroacoustic devices, mechanical sensors and then precision actuators, has continued to expand, notably with new applications identified in power electronics thanks to the use of piezoelectric transformers. The aim of this article is to present the opportunities offered by this type of component in terms of the realization of specific power supplies requiring, for example, very high compactness, and/or high voltage levels, and/or high primary-secondary galvanic isolation. After a few reminders of the physical principles involved, the authors present: the usual structures of piezoelectric transformers (§ 1 ); their mode of operation is then studied in detail (§ 2 and 3 ); a new control mode based not on a standing wave but on a travelling wave is then presented (§ 4); finally, some static conversion structures and associated control regimes are posed and analyzed (§ 5).

    You do not have access to this resource.

    Exclusive to subscribers. 97% yet to be discovered!

    You do not have access to this resource.
    Click here to request your free trial access!

    Already subscribed? Log in!


    The Ultimate Scientific and Technical Reference

    A Comprehensive Knowledge Base, with over 1,200 authors and 100 scientific advisors
    + More than 10,000 articles and 1,000 how-to sheets, over 800 new or updated articles every year
    From design to prototyping, right through to industrialization, the reference for securing the development of your industrial projects

    KEYWORDS

    Piezoelectric transformer   |   DC-DC/DC-AC converters   |   piezoelectric materials

    EDITIONS

    Other editions of this article are available:


    This article is included in

    Conversion of electrical energy

    This offer includes:

    Knowledge Base

    Updated and enriched with articles validated by our scientific committees

    Services

    A set of exclusive tools to complement the resources

    Practical Path

    Operational and didactic, to guarantee the acquisition of transversal skills

    Doc & Quiz

    Interactive articles with quizzes, for constructive reading

    Subscribe now!

    Ongoing reading
    Piezoelectric transformers for power electronics