Article | REF: R928 V3

SQUIDs and their applications

Author: Chantal GUNTHER

Publication date: June 10, 2008 | Lire en français

You do not have access to this resource.
Click here to request your free trial access!

Already subscribed? Log in!

Automatically translated using artificial intelligence technology (Note that only the original version is binding) > find out more.

    A  |  A

    1. Introduction. Quantifying the flux through a superconducting loop

    In a superconductor, whose temperature T is below its critical temperature T c , some of the free electrons associate in pairs, known as Cooper pairs, which obey the Bose-Einstein statistics and therefore tend to occupy the same quantum state. This quantum state is described by a macroscopic wave function.

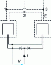
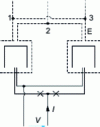
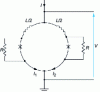
    Consider a ring of superconducting material at a temperature below T c . At a given position in the ring, the macroscopic wave function representing the superconducting state is monovalent, so the phase of this wave function there is defined modulo 2π. We show that the circulation of this phase along the ring (outline C on figure

    You do not have access to this resource.

    Exclusive to subscribers. 97% yet to be discovered!

    You do not have access to this resource.
    Click here to request your free trial access!

    Already subscribed? Log in!


    The Ultimate Scientific and Technical Reference

    A Comprehensive Knowledge Base, with over 1,200 authors and 100 scientific advisors
    + More than 10,000 articles and 1,000 how-to sheets, over 800 new or updated articles every year
    From design to prototyping, right through to industrialization, the reference for securing the development of your industrial projects

    This article is included in

    Electronic measurements and tests

    This offer includes:

    Knowledge Base

    Updated and enriched with articles validated by our scientific committees

    Services

    A set of exclusive tools to complement the resources

    Practical Path

    Operational and didactic, to guarantee the acquisition of transversal skills

    Doc & Quiz

    Interactive articles with quizzes, for constructive reading

    Subscribe now!

    Ongoing reading
    Introduction. Quantifying the flux through a superconducting loop