Présentation
INTRODUCTION
L’étape préalable à la réalisation d’un ouvrage consiste en phases d’étude, déterminant les modes opératoires adaptées aux séquences de construction envisagées, le matériel et la main-d’œuvre nécessaires pour mener à bien ces tâches, et une planification réaliste de leurs exécutions. Des documents clairs et synthétiques permettent une préparation quotidienne du travail sur le chantier. Deux exemples sont présentés en illustration.
D’autres éléments contribuent également à un gain de productivité, notamment la répétition du travail, la spécialisation des équipes, la réduction des heures dites improductives (attente de matériel, démontage…). L’amortissement technique du matériel est un facteur intervenant fortement dans le calcul des coûts totaux.
L’article détaille ensuite la méthode pour élaborer une rotation de matériel. Des solutions spécifiques sont à apporter à chaque étape de cette préparation, avec entre autres la répartition des espaces et des niveaux, la quantité d’ouvrage à réaliser (« voile » et « plancher »). En découle ainsi le choix du cheminement des coffrages et des outils, vertical, horizontal, alterné…
Cadences de production, durées des cycles, optimisation du matériel sont à déterminer afin de réduire les coûts, sans oublier les contraintes techniques, en termes de résistance du béton, délais de décoffrage et reprises du bétonnage.
Le volet sécurité n’échappe pas à l’étude. Prévoir le matériel de sécurité adapté nécessite l’analyse de tous les postes de travail. Les risques sont évalués et les équipements de protection collectifs (passerelles, garde-corps, grillage…) prévus en fonction du mode opératoire retenu et des caractéristiques du gros œuvre.
VERSIONS
- Version courante de mars 2017 par Pierre SERIN
DOI (Digital Object Identifier)
Cet article fait partie de l’offre
Techniques du bâtiment : préparer la construction
(138 articles en ce moment)
Cette offre vous donne accès à :
Une base complète d’articles
Actualisée et enrichie d’articles validés par nos comités scientifiques
Des services
Un ensemble d'outils exclusifs en complément des ressources
Des modules pratiques
Opérationnels et didactiques, pour garantir l'acquisition des compétences transverses
Doc & Quiz
Des articles interactifs avec des quiz, pour une lecture constructive
Présentation
| Plan de la page |
I - Découpage journalier
Hiérarchisation des contraintes
Le découpage de l’ouvrage en parties distribuées pour chaque journée du cycle de réalisation est le résultat d’une optimisation de l’ensemble des contraintes. Il convient de vérifier le résultat obtenu selon une hiérarchisation de ces contraintes. Il est ainsi possible de donner une priorité à certaines d’entre elles :
- le respect du CCTP ;
- le respect des contraintes techniques et des délais de décoffrage ;
- la régularité relative des quantités d’ouvrage à réaliser chaque jour ;
- la recherche de saturation du plan de charge de la grue et la minimisation des manutentions ;
- l’optimisation du matériel de coffrage ;
- l’attribution de zones de travail séparées pour chaque équipe.
La sécurité doit être parfaite, quelle que soit l’option retenue.
Descriptif de l’ouvrage
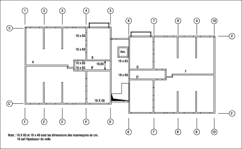
L’ouvrage à réaliser est constitué par deux bâtiments semblables A et B séparés par un joint de dilatation ( cf. Fig. 1 ).
Ils comprennent un rez-de-chaussée, quatre étages et deux sous-sols, et leurs caractéristiques sont les suivantes :
- hauteur d’étage : 2,50 m sous plancher;
- façades, refends et pignons en béton banché ;
- ouvertures dans les façades...
Cet article fait partie de l’offre
Techniques du bâtiment : préparer la construction
(138 articles en ce moment)
Cette offre vous donne accès à :
Une base complète d’articles
Actualisée et enrichie d’articles validés par nos comités scientifiques
Des services
Un ensemble d'outils exclusifs en complément des ressources
Des modules pratiques
Opérationnels et didactiques, pour garantir l'acquisition des compétences transverses
Doc & Quiz
Des articles interactifs avec des quiz, pour une lecture constructive
Documents et plans de synthèse
Cet article fait partie de l’offre
Techniques du bâtiment : préparer la construction
(138 articles en ce moment)
Cette offre vous donne accès à :
Une base complète d’articles
Actualisée et enrichie d’articles validés par nos comités scientifiques
Des services
Un ensemble d'outils exclusifs en complément des ressources
Des modules pratiques
Opérationnels et didactiques, pour garantir l'acquisition des compétences transverses
Doc & Quiz
Des articles interactifs avec des quiz, pour une lecture constructive
