Présentation
INTRODUCTION
La maîtrise des performances d’un réseau de distribution d’eau glacée impose un minimum d’interférences entre les réseaux primaires et secondaires, il en va du bon fonctionnement des pompes. Dans cet objectif, la solution des boucles de décharge ou de l’échangeur est souvent retenue. Du nombre de vannes de régulation, à deux ou à trois voies, dépend également la bonne tenue des caractéristiques techniques du réseau, à savoir la valeur et la variabilité du débit.
Ces réseaux de distribution d’eau glacée doivent bien sûr respecter les dispositions réglementaires en vigueur, elles portent essentiellement sur un calorifugeage adapté des canalisations, la pose de compteurs de consommation, le choix de pompes à débit variable afin d’absorber les pics d’appels de puissance. L’installation d’appareils de mesure (thermomètre, manomètre) permettant le suivi du fonctionnement du réseau est fortement conseillée.
DOI (Digital Object Identifier)
Cet article fait partie de l’offre
Techniques du bâtiment : le second oeuvre et les lots techniques
(90 articles en ce moment)
Cette offre vous donne accès à :
Une base complète d’articles
Actualisée et enrichie d’articles validés par nos comités scientifiques
Des services
Un ensemble d'outils exclusifs en complément des ressources
Des modules pratiques
Opérationnels et didactiques, pour garantir l'acquisition des compétences transverses
Présentation
Dispositif
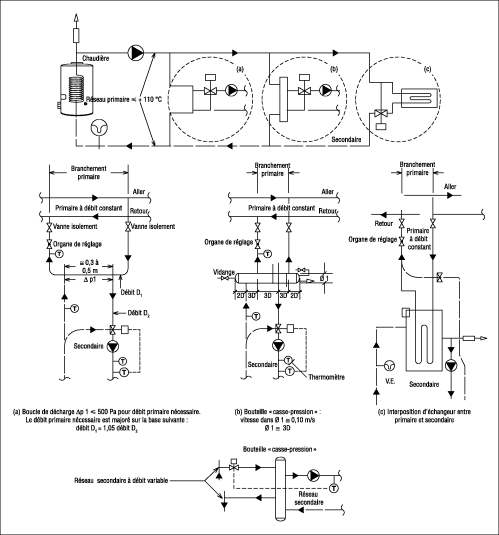
Sur un circuit donné, il est impératif que les réseaux secondaires avec leurs pompes ne subissent pas l’influence du réseau primaire qui lui-même est muni de ses propres pompes ; à cet effet, on a recours aux dispositions suivantes ( cf. Fig. 1 ) :- soit par bouteille de découplage (ou bouteille casse-pression), la vitesse dans la bouteille devant être 0,10 m/s ( cf. Fig. 1b ) ;
- soit par boucle de décharge ( cf. Fig. 1a ), les piquages sont très proches l’un de l’autre (environ 0,30 à 0,50 mètre), le p entre ces deux points étant négligeable ;
- soit par l’intermédiaire d’un échangeur ( cf. Fig. 1c ).
Cet article fait partie de l’offre
Techniques du bâtiment : le second oeuvre et les lots techniques
(90 articles en ce moment)
Cette offre vous donne accès à :
Une base complète d’articles
Actualisée et enrichie d’articles validés par nos comités scientifiques
Des services
Un ensemble d'outils exclusifs en complément des ressources
Des modules pratiques
Opérationnels et didactiques, pour garantir l'acquisition des compétences transverses
L’interface entre réseaux
Cet article fait partie de l’offre
Techniques du bâtiment : le second oeuvre et les lots techniques
(90 articles en ce moment)
Cette offre vous donne accès à :
Une base complète d’articles
Actualisée et enrichie d’articles validés par nos comités scientifiques
Des services
Un ensemble d'outils exclusifs en complément des ressources
Des modules pratiques
Opérationnels et didactiques, pour garantir l'acquisition des compétences transverses
